LKLUXZ系列智能氧氣流量計采用*新微處理技術,具有功能強、流量范圍寬、操作維修簡單,安裝使用方便等優點,智能氧氣流量計集壓力溫度檢測與補償運算于一體,具有計量精度高,流量范圍寬,無可動部件,抗振與抗脈動流性能好,體積小,重量輕,使用方便等優點。智能氧氣流量計是石油、化工、電力、冶金及城市燃氣管網等行業用于氣體計量的理想儀表。
一、LKLUXZ系列智能氧氣流量計概述
LKLUXZ系列智能氧氣流量計采用先進的微處理技術,具有功能強、流量范圍寬、操作維修簡單,安裝使用方便等優點,可廣泛應用于石油、化工、電力、冶金、煤碳等行業各種氣體的計量。
1、內置式壓力、溫度、流(liu)量(liang)傳感器,安全性能高,結構緊湊,外形美觀。
2、就地顯(xian)示溫度、壓力、瞬間流量和累(lei)積總(zong)量。
3、采用先進的信號處理(li)放大(da)器(qi)和(he)獨特的過(guo)濾波(bo)技(ji)術(shu),有(you)效地(di)剔(ti)除了壓(ya)力波(bo)動(dong)(dong)和(he)管道振動(dong)(dong)所產生的干擾信號,大(da)大(da)提高了流(liu)量計(ji)的抗干擾能(neng)力,使小(xiao)流(liu)量具有(you)出色的穩定性(xing)。
4、特有(you)時間顯示及實時數據存儲之功能,無論什么情況下,都(dou)能保證(zheng)內部數據不(bu)會丟(diu)失,可(ke)長久性保存。
5、整機功耗極低,能憑內部電池可長明供電運(yun)行,是理想的無需外電源就地顯示儀表。
6、防盜功能可(ke)靠,具有密(mi)碼保護,防止參數改動。
7、表頭可180度隨意(yi)旋轉,安裝方(fang)便(bian)。
本系列產品執行國家JJG198-94《速度式(shi)流量計(ji)檢(jian)定規程(cheng)》和(he)Q/320831C S003-2007 《LUXZ系列智能旋(xuan)進旋(xuan)渦體流量計(ji)》企業(ye)標準。
本系列產品經國家ji儀(yi)器表主爆安全監督站(NEPSI)檢定(ding)認可(ke),符合國家標(biao)GB3836.1-2000,GB3836.2-2000有關規定(ding)。隔爆型防爆標(biao)志為Exd Ⅱ Bt4。
二、LKLUXZ系列智能氧氣流量計結構與工作原理
1、流量計結構(gou)(見圖1)
1、殼體(ti)2、旋(xuan)渦(wo)發(fa)生體(ti)3、流(liu)量(liang)(liang)傳感器4、壓(ya)力傳感器5、流(liu)量(liang)(liang)積(ji)算(suan)儀6、溫度傳感器、7、導流(liu)體(ti)
2、流量(liang)計工作(zuo)原理(見圖2)
當流(liu)(liu)(liu)(liu)(liu)體(ti)通過螺(luo)旋(xuan)形的(de)旋(xuan)渦(wo)(wo)發(fa)生(sheng)(sheng)體(ti)后,流(liu)(liu)(liu)(liu)(liu)體(ti)被迫繞旋(xuan)渦(wo)(wo)發(fa)生(sheng)(sheng)體(ti)中(zhong)心劇烈地(di)旋(xuan)轉(zhuan),形成(cheng)旋(xuan)渦(wo)(wo)流(liu)(liu)(liu)(liu)(liu)。旋(xuan)渦(wo)(wo)流(liu)(liu)(liu)(liu)(liu)加速,沿流(liu)(liu)(liu)(liu)(liu)動(dong)(dong)方(fang)向經(jing)縮段、流(liu)(liu)(liu)(liu)(liu)動(dong)(dong)強(qiang)度增強(qiang)。當旋(xuan)渦(wo)(wo)流(liu)(liu)(liu)(liu)(liu)進(jin)入擴散段后,在(zai)導(dao)流(liu)(liu)(liu)(liu)(liu)體(ti)回流(liu)(liu)(liu)(liu)(liu)的(de)作用下,該(gai)旋(xuan)渦(wo)(wo)產生(sheng)(sheng)二(er)次旋(xuan)轉(zhuan),二(er)次旋(xuan)渦(wo)(wo)的(de)頻率(lv)與流(liu)(liu)(liu)(liu)(liu)量(liang)(liang)與正比。當流(liu)(liu)(liu)(liu)(liu)量(liang)(liang)計設計得當時,在(zai)很寬的(de)流(liu)(liu)(liu)(liu)(liu)量(liang)(liang)范(fan)圍內(nei),旋(xuan)渦(wo)(wo)頻率(lv)與流(liu)(liu)(liu)(liu)(liu)量(liang)(liang)成(cheng)線性關系。該(gai)頻率(lv)由(you)壓電(dian)傳感器檢測,通過流(liu)(liu)(liu)(liu)(liu)量(liang)(liang)積算儀進(jin)行(xing)運(yun)算和處(chu)理。顯示流(liu)(liu)(liu)(liu)(liu)量(liang)(liang)的(de)瞬間流(liu)(liu)(liu)(liu)(liu)量(liang)(liang)和累(lei)積總量(liang)(liang),并變送輸出對應的(de)4-20mA電(dian)流(liu)(liu)(liu)(liu)(liu)信號。
三、LKLUXZ系列智能氧氣流量計主要技術參數
1、流量計規格(ge)、基本參數和性能(neng)指標(見表1)
注: 1、表中所列(lie)的流(liu)量范(fan)(fan)圍(wei)為產品出廠時檢定的流(liu)量范(fan)(fan)圍(wei)(常(chang)溫、常(chang)壓下介(jie)質為空氣,ρ=1. 205kg/m);2、隨著壓力的增大,流(liu)量范(fan)(fan)圍(wei)也隨之擴(kuo)大。
2、標準狀態條件:P=101.325kPa,T=293.15K
3、使用條(tiao)件:
環境溫(wen)度: -20~+60℃;
介質溫度:-20~+80℃;
相對(dui)濕度:5%~95%
大氣壓力:86kPa~106kPa
4、電(dian)氣性能指標
工(gong)作電(dian)源:外(wai)電(dian)源:+24VDC
內電(dian)源:3.6V鋰電(dian)池(chi)
整機功耗:外電源:<1W
內電(dian)源:<0.3mW,鋰電(dian)池可用二年以上。
輸出方式:脈沖信號
4~20mA電流信(xin)號:對應流量(liang)(liang)0~Qmax,20mA對應流量(liang)(liang)可由(you)用戶自己設(she)定。
RS485通(tong)訊:可傳輸瞬時流量、累積(ji)流量、壓(ya)力(li)和(he)溫度參數(shu)和(he)時間、日期。
5、防(fang)爆標志:Exd II BT4
6、防護(hu)等級:IP65
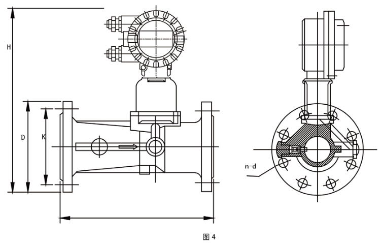
四、LKLUXZ系列智能氧氣流量計外形尺寸及安裝
1、流量計(ji)外形尺(chi)寸(見圖4和表2)
2、流量(liang)汁安裝尺寸(1.6MPa)
3、流量計的安裝
(1)流量計(ji)應根據流向(xiang)標志安(an)裝。
(2)流量計可水(shui)平(ping)、垂直或任意(yi)角度傾(qing)斜(xie)安裝(zhuang)。
(3)上下游直管段要求見圖(tu)5。
(4)被測介質內除含有較大(da)顆粒或(huo)較長纖維性雜質外,一般無需安(an)裝過(guo)濾(lv)器。
(5)流量(liang)周圍不應有強外(wai)磁場干擾及(ji)強烈的機械振(zhen)動。
(6)流量(liang)計(ji)必須(xu)可靠接地(di)。
五、LKLUXZ系列智能氧氣流量計的選型
1、用戶在選型時,應根據管道公(gong)稱壓力(li)、介(jie)質zui高壓力(li)、介(jie)質溫度(du)、介(jie)質組分(fen)情況,流量(liang)(liang)范圍(wei)及信號輸出要求(qiu)合(he)理(li)選擇流量(liang)(liang)計的型號規格(ge)。
2、為使流(liu)量(liang)計(ji)(ji)的(de)(de)使用性能zui佳,流(liu)量(liang)計(ji)(ji)的(de)(de)使用范圍在zui大流(liu)量(liang)的(de)(de)20%~80%范圍內比較合(he)適。
3、流量計(ji)出(chu)(chu)廠時(shi)的標準輸(shu)出(chu)(chu)配(pei)置是(shi):具有(you)工況(kuang)脈沖信號(hao)輸(shu)出(chu)(chu)(三線制)。若要(yao)求(qiu)其(qi)它輸(shu)出(chu)(chu)功能(neng)時(shi),請(qing)在訂貨(huo)時(shi)說明。
六、LKLUXZ系列智能旋進旋渦氣體流量計訂貨須知
1、用戶訂購本產(chan)品時要注(zhu)意根據管道公(gong)稱直(zhi)徑(jing)、流量范(fan)圍(wei)、公(gong)稱壓力、介質zui大(da)壓力、介質溫度(du)范(fan)圍(wei)、環境
條件選(xuan)擇合(he)適的規(gui)格,在(zai)危(wei)險場所使用的必須注明(ming)防(fang)爆等級要求(qiu)。
2、流(liu)量計一般(ban)為(wei)基本(ben)型(xing),帶工(gong)況脈沖輸出,若需其它附件及(ji)輸出功能,請在訂貨時(shi)注明。3、用戶在訂貨時(shi),請按照下(xia)列格(ge)式,詳細正確地填寫。
前一個產品:一氧化碳、二氧化碳流量計
下一個產品:天然氣流量計廠家,天然氣流量計選型
版權所有 Copyright(©)2009-2011 江蘇力科儀表有限公司
電話號碼:0517-86909222 商務熱線:15305232668 傳真:0517-86909221
地址:江蘇省金湖縣工業園
技術支持: